
Funkcjonowanie systemów zabezpieczeń instalowanych w obiektach budowlanych skupia się na szybkiej i pewnej identyfikacji zagrożeń oraz przekazywaniu informacji o zaistnieniu zagrożenia użytkownikowi systemu [1, 2, 3, 6]. Okna i drzwi stanowią najsłabsze ogniwo spośród technicznych elementów ograniczających dostęp intruza do wnętrza zabezpieczanego obiektu. Są najłatwiejszymi do sforsowania punktami obwodowej strefy zabezpieczeń i jest to wykorzystywane przez włamywaczy. W artykule przedstawiona zostanie koncepcja nowego rozwiązania technicznego w postaci czujki światłowodowej służącej do zabezpieczania okien i drzwi w obiektach budowlanych. Zaprezentowany układ uzupełnia asortyment dostępnych na rynku i powszechnie wykorzystywanych w ochronie obwodowej obiektów budowlanych środków detekcyjnych (czujek stykowych i magnetycznych). Istota jego działania polega na kontroli i analizie ciągłości sygnału świetlnego w światłowodzie stanowiącym główny element detektora. Przedstawiony układ umożliwia wykrycie prób wtargnięcia intruza do obiektu przez otwarcie zabezpieczonych okien lub drzwi.
Wstęp
Czujki obwodowe stosowane w systemach alarmowych I&HAS to układy detekcyjne, którymi zabezpiecza się okna i drzwi, a więc bariery architektoniczne, które są najbardziej narażone na próby forsowania podczas próby włamania. Czujki te powinny być odporne na próby sabotażu i zakłócenia [3, 4].
Obecnie do wykrywania prób wejścia do zamkniętego obiektu przez okna i drzwi wykorzystywane są przede wszystkim magnetyczne czujki otwarcia (kontaktrony). Ich podstawowe wady to niewielka odporność na zakłócenia oraz łatwość określenia miejsca zainstalowania czujki. Działanie opisywanego układu bazuje na wykorzystaniu sygnału świetlnego jako nośnika informacji o stanie zabezpieczanego elementu oraz światłowodu jako obwodu umożliwiającego transmisję tego sygnału. Dzięki takiemu rozwiązaniu możliwe jest przesyłanie informacji między nadajnikiem a odbiornikiem sygnału świetlnego oraz analiza sygnału rejestrowanego przez odbiornik poprzez porównanie go z sygnałem emitowanym przez nadajnik. Zakłócenie procesu przesyłania jest interpretowane przez układ decyzyjny jako naruszenie chronionego elementu lub zakłócenie pracy układu detekcyjnego.
Rys. 1. Schemat blokowy światłowodowej czujki obwodowej do zabezpieczania okien i drzwi: a) układ jednostykowy, b) układ dwustykowy;
1 – układ zasilania, 2 – złączki sygnału informacyjnego, 3 – układ formowania sygnału wysyłanego, 4 – układ formowania sygnału odbieranego, 5 – analizator sygnałów wysyłanego i odbieranego, 6 – układ decyzyjny czujki, 7 – nadajnik sygnału świetlnego, 8 – odbiornik sygnału świetlnego, 9 – zbliżeniowy czujnik zachowania ciągłości obwodu świetlnego czujki, 10 – światłowód
Koncepcja wykorzystania światłowodowej czujki obwodowej do zabezpieczania okien i drzwi
Przedstawione wady dotychczas stosowanych w obiektach budowlanych układów zabezpieczeń okien i drzwi skłoniły do opracowania nowego typu układu. Celem było osiągnięcie dużej skuteczności w wykrywaniu prób otwarcia okien i drzwi, dużej odporności na zakłócenia elektryczne, magnetyczne i elektromagnetyczne, zastosowanie sygnału świetlnego jako nośnika informacji o stanie zabezpieczanego elementu oraz umożliwienie łatwego ukrycia miejsca zainstalowania i zabezpieczania wielu elementów architektonicznych przez wykorzystanie jednego obwodu sygnalizacyjnego lub jednego układu zasilającego i decyzyjnego.
Zasada działania światłowodowej czujki obwodowej polega na sprawdzaniu ciągłości sygnału świetlnego przesyłanego między nadajnikiem a odbiornikiem. Taki sposób sprawdzania poprawności działania czujki jest podobny do sposobu wykorzystywanego w aktywnych barierach podczerwieni. Interpretacja prawidłowej lub nieprawidłowej pracy jest dokonywana na postawie analizy korelacji zachodzących między nadawanym sygnałem wyjściowym a sygnałem wejściowym odbieranym przez odbiornik [5].
Schemat blokowy układu zabezpieczeń okien i drzwi w postaci światłowodowej czujki obwodowej do wykrywania prób forsowania zamkniętych okien i drzwi został przedstawiony na rysunku 1. Na rysunku 1a i 1b przedstawione zostały dwa podstawowe rozwiązania. Pierwsze z nich to układ jednostykowy umożliwiający szeregowe łączenie wielu podobnych jednostykowych układów. Takie rozwiązanie może być wykorzystane w przypadku łączenia w jeden obwód kilku pojedynczych obwodów zabezpieczających kilka drzwi lub okien znajdujących się w danym pomieszczeniu. Drugie rozwiązanie to układ dwustykowy czujnika, w którym jeden z elementów detektora stanowi tylko zworę układu światłowodowego. W tym przypadku element stykowy układu optycznego może być przymocowany do skrzydła okna lub drzwi, więc nie ma potrzeby wprowadzania światłowodu do wewnątrz skrzydła. Przyłączenie światłowodowe wykonywane jest tylko w ościeżnicy drzwi lub okna. Takie rozwiązanie umożliwia bardziej niezawodną pracę czujki [5].
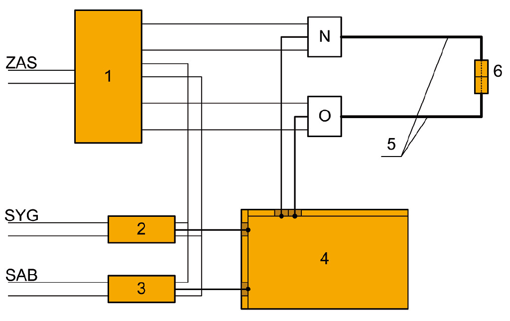
Rys. 2. Schemat blokowy czujki światłowodowej do zabezpieczania okien i drzwi: 1 – układ zasilania, 2 – konektory obwodu sygnałowego czujki, 3 – konektory obwodu sabotażowego czujki, 4 – układ decyzyjny i układ sterujący pracą czujki, 5 – obwód optyczny (światłowody sygnałowe), 6 – zbliżeniowy czujnik zachowania ciągłości obwodu świetlnego czujki, N – nadajnik sygnału świetlnego OTJ-1, O – odbiornik sygnału świetlnego ORJ-1, ZAS – przewody zasilające, SYG – przewody sygnałowe, SAB – przewody sabotażowe
Światłowodowa czujka obwodowa do zabezpieczania okien i drzwi, której schemat blokowy jest przedstawiony na rysunku 1, składa się z trzech zasadniczych elementów: układu sterowania, zbliżeniowego czujnika zachowania ciągłości obwodu światłowodowego oraz światłowodów stanowiących obwód do przesyłania sygnału informacyjnego. Zasada działania czujki polega na wysłaniu i prawidłowej interpretacji sygnałów optycznych odbieranych przez elementy optyczne czujki (nadajnik optyczny, odbiornik optyczny, światłowody i zbliżeniowy czujnik zachowania ciągłości obwodu świetlnego czujki). Zasadniczym elementem czujki jest układ sterowania zasilający i zarządzający jej pracą. Poszczególne elementy odpowiadają za formowanie impulsu świetlnego, jego nadanie, odbiór oraz interpretację. Układ sterowania odpowiada również za komunikację z centralą alarmową. Przekazuje za pomocą linii sabotażowej informacje o stanie czujki (sygnał sabotażowy), a za pomocą linii sygnałowej informacje o stanie zabezpieczanego elementu (sygnał alarmowy) [5].
Rys. 3. Algorytm działania programu zarządzającego pracą układu optycznego czujki
Sposób działania światłowodowej czujki obwodowej
Proces interpretacji sygnału świetlnego umożliwiający określenie stanu zabezpieczanego elementu zaczyna się w układzie formowania impulsu. W zależności od wybranego trybu pracy układ formowania impulsu generuje sygnał ciągły lub impulsowy [5]. Do budowy układu optycznego wykorzystano dwa standardowe elementy optoelektroniczne – nadajnik sygnału świetlnego OTJ-1 i odbiornik ORJ-1 [7].
Algorytm działania programu zarządzającego pracą układu optycznego czujki światłowodowej przewiduje dwa tryby wysterowania nadajnika sygnału optycznego OTJ-1 czujki. Jeden to wysterowanie nadajnika OTJ-1 sygnałem impulsowym, drugi sygnałem ciągłym. W obu przypadkach algorytm realizuje cztery etapy:
- wysterowanie nadajnika optycznego OTJ-1;
- rejestracja sygnału odbieranego przez odbiornik sygnału optycznego ORJ-1;
- porównanie i analiza wartości chwilowych sygnałów z nadajnika OTJ-1 i odbiornika ORJ-1;
- wysterowanie układu złączek wyjściowych czujki SYG.
Najważniejszym etapem procedury pomiarowej jest etap związany z analizą porównawczą przebiegów chwilowych nadajnika i odbiornika sygnału optycznego. W obu przypadkach (sygnał impulsowy, sygnał ciągły) wykrycie nieprawidłowości w działaniu układu optycznego i sygnalizacja stanu alarmowego wymaga określenia kryterium granicznego. Przy wysterowaniu nadajnika OTJ-1 sygnałem ciągłym kryterium graniczne określa maksymalny czas przerwy w odbiorze sygnału wysyłanego przez nadajnik. Przy wysterowaniu nadajnika OTJ-1 sygnałem impulsowym kryterium graniczne określa liczbę kolejnych impulsów nieodebranych przez odbiornik ORJ-1 w porównaniu do liczby impulsów wysłanych przez nadajnik OTJ-1.
Algorytm działania programu zarządzającego pracą układu optycznego czujki dla impulsowego i ciągłego sposobu wysterowania nadajnika optycznego OTJ-1 został przedstawiony na rysunku 3.
Przeprowadzone analizy wykazały, że lepszym rozwiązaniem jest zastosowanie sygnału impulsowego (jednoznaczna interpretacja i utrudnione sabotowanie działania czujki).
Podsumowanie
Zaletą układu jest wykorzystanie sygnału optycznego do kontroli ciągłości obwodu. Taki sygnał może być przesyłany na znaczne odległości bez utraty swoich właściwości. Sygnał świetlny może być dowolnie kształtowany i przesyłany jako sygnał ciągły lub impulsowy o stałej częstotliwości i stałym współczynniku wypełnienia impulsu, sygnał zmienny losowo lub sygnał zmieniający się zgodnie z założonym algorytmem, co praktycznie eliminuje możliwość sabotażu. Zaletą układu światłowodowej czujki obwodowej do zabezpieczania okien i drzwi jest także duża, znacznie większa niż w przypadku czujek magnetycznych i stykowych odporność na sabotaż. Sabotażem może być na przykład zamiana elementów lub dołączenie dodatkowych elementów umożliwiających przejęcie kontroli nad pracą elementu detekcyjnego. Przyłączenie dodatkowego obwodu optycznego do układu czujki w sposób niezauważalny jest praktycznie niemożliwe. Dzięki zastosowaniu światłowodu i wykorzystaniu sygnału optycznego do kontroli stanu zamknięcia i domknięcia chronionych elementów zlokalizowanie miejsca, w którym zainstalowany jest obwód sygnałowy, i zakłócenie lub sabotowanie pracy czujki jest trudne.
Literatura
- PN-EN 50131-1:2009 – Systemy alarmowe. Systemy sygnalizacji włamania i napadu. Część 1: Wymagania systemowe, Wydawnictwo PKN, Warszawa 2009.
- PN-EN 50136-1-1:2001 – Systemy alarmowe. Systemy i urządzenia transmisji alarmu. Wymagania ogólne dotyczące systemów transmisji alarmu, Wydawnictwo PKN, Warszawa 2001.
- Buczaj M., Czas jako kryterium skuteczności przebiegu procesu neutralizacji zagrożeń w systemach nadzorujących stan chronionego obiektu, Zabezpieczenia nr 6(70)/2009, s. 56–61.
- Buczaj M., Strefowa organizacja systemów alarmowych w aspekcie realizacji założonych zadań ochrony w obiektach budowlanych, Zabezpieczenia nr 5(81)/2011, s. 46–49.
- Buczaj M., Sumorek A., Układ do zabezpieczania, zwłaszcza okien i drzwi. Patent nr 219425, Wiadomości Urzędu Patentowego nr 4/2015, Warszawa 2015.
- Szulc W., Rosiński A., Systemy sygnalizacji włamania. Część 1 – konfiguracje central alarmowych. Zabezpieczenia nr 2(66)/2009, s. 66–73.
- Specyfikacja techniczna optoelementów zawarta w katalogu elementów elektronicznych firmy CLIFF z roku 2003.
dr inż. Marcin Buczaj
Politechnika Lubelska, Wydział Elektrotechniki i Informatyki
dr inż. Andrzej Sumorek
Politechnika Lubelska, Wydział Budownictwa i Architektury



